Hallo,
Undzwar habe ich da eine Frage bezüglich der Zentrierscheibe.
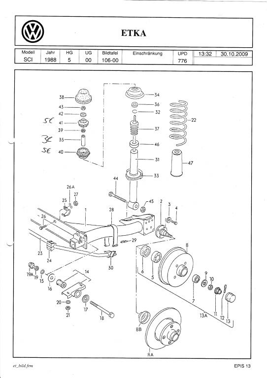
Laut VW Zeichnung kommt die Zentrierscheibe Nr. 42 oben auf die Nr. 41 Gummi.
Laut KW kommt die Scheibe auf den unteren ? ( VW Zeichnung Nr. 40 )
Muss ich die Zentrierscheibe nun nachordern? ---> Sprich 2 pro Feder?
Dann wie in der VW Zeichnung eine Oben und eine laut KW Unten montieren?
mfg cengiz
Gewindefahrwerk Montage Hinterachse Hilfe
- Se3n3z
- Benutzer
- Beiträge: 662
- Registriert: Di 22. Apr 2008, 01:09
- Wohnort: Koblenz
- BPower
- Erfahrener Nutzer
- Beiträge: 1580
- Registriert: Mo 5. Mär 2007, 22:40
- Wohnort: Sigmarszell bei Lindau /B
AW: Gewindefahrwerk Montage Hinterachse Hilfe
Ich hätte gesagt KW hat einen Fehler in der Einbauanleitung.
Bau es so zusammen wie es original war und alles sollte gut sein.
Gruß BPower
Bau es so zusammen wie es original war und alles sollte gut sein.
Gruß BPower
[CENTER]4 motion 4 ever
[/CENTER]
[CENTER]
[/CENTER]
[/CENTER]
[CENTER]
[/CENTER]
- Se3n3z
- Benutzer
- Beiträge: 662
- Registriert: Di 22. Apr 2008, 01:09
- Wohnort: Koblenz
AW: Gewindefahrwerk Montage Hinterachse Hilfe
achja, vergessen zu erwähnen....
wenn ich das Gewinde Hochdrehe ... ( Feder einstellen will ) springt mir die Feder immer beim Drehen....
nicht das ich falsch montiert hab....
hab halt wie Orginal montiert.
wenn ich das Gewinde Hochdrehe ... ( Feder einstellen will ) springt mir die Feder immer beim Drehen....
nicht das ich falsch montiert hab....
hab halt wie Orginal montiert.
- Andy-GTII
- Erfahrener Nutzer
- Beiträge: 6070
- Registriert: Mo 28. Nov 2005, 17:26
- Wohnort: SÜW in de Palz
- Kontaktdaten:
AW: Gewindefahrwerk Montage Hinterachse Hilfe
Ich habe es auch so gemacht, wie es original war. Sonst verdückt man sich ja das Gummie.
10er VW Golf GTi Vollausstattung
00er Porsche 996 Turbo (Cargraphic AGA + K24 RS Lader + RS Tuning ~ 600PS
)
90er Porsche 928 GT (irgendwann mal...)
VCDS Vollversion vorhanden
00er Porsche 996 Turbo (Cargraphic AGA + K24 RS Lader + RS Tuning ~ 600PS
90er Porsche 928 GT (irgendwann mal...)
VCDS Vollversion vorhanden