Kaltstartproblem

Ihr habt ein Problem oder eine technische Frage? Bitte stellt Anleitungen aber in die FAQ!
Benutzeravatar
Max Mustermann
Benutzer
Beiträge: 37
Registriert: Mo 21. Apr 2008, 18:41
Wohnort: Bremen

Kaltstartproblem

Beitrag von Max Mustermann »

Hallo, ich habe ein "unrundes Problem an kalten Tagen <~20 °C", vielleicht koennt Ihr mir ja helfen.
Vorweg: Ich habe die Suchen-Funktion auch benutzt, nur habe ich keine Loesung zu meiner Situation finden koennen.

Starte ich meinen Wagen (Scirocco 2 85er-Jahrgang, Motorkennbuchstaben: "EX", KEIN Kat, 2E2-Vergaser), so laeuft dieser zunaechst rund, die Drehzahl liegt dann bei 1500. Das allerdings nur fuer etwa 2-4 Sekunden. Dann sinkt sie auf 300; der Wagen faengt an zu roedeln, bis er schliesslich absaeuft...
Wurde er vorher z.B. durch Sonne aufgeheizt, springt er prima an.
Zuendfunke/Zuendkerzen auch ok. Auch keine Lecks (Kuehlfluessigkeit etc.).

Morgens oder an kalten Tagen muss ich also immer zusaezliche Starthilfe per Gaspedal geben.

Wenn er einmal warm gelaufen ist, laeuft er rund, die Standgasdrehzahl liegt bei 900. Der Wagen beschlaeunigt auch richtig, wenn ich mal Bleifuss gebe.

Habe bereits 2 erfolglose Versuche unternommen, dem Startproblem entgegen zu wirken:
  • Standgas einfach auf 1500 erhoeht.
[INDENT]Das hat auch nicht viel gebracht, da ich immer noch einwenig Starthilfe geben musste...
[/INDENT]
  • Starterkappe einwenig von der Grundposition verdreht (kleine Kerben an der Oberseite), damit die Starterklappe bei Kaelte wenigstens einen kleinen Spalt geoeffnet ist, fuer mehr Frischluft.
[INDENT]Das Bi-Metall "scheint" noch in Ordnung. Habe auch die Zuleitungen auf elektrischen Druchfluss hin ueberprueft, alles i.O.
[/INDENT]Macht es evtl. Sinn, die Starterkappen-Kerben noch weiter voneinander zu entfernen? Zur Zeit sind etwa 5mm Abstand.

Werden Bi-Metalle mit den Jahren "schlecht"?

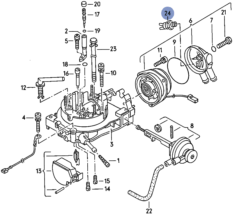
Beim Abnehmen des Deckels der Starterkappe (der, mit den beiden Schlaeuchen fuer die hin und Rueckleitung der Kuehlfluessigkeit), habe ich hier drin dann verzweifelt nach dem Thermopneumatikventil gesucht - ich "glaube" es fehlt!
Wo sitzt es genau? Laut Zeichnung muesste es sogar fast so gross sein, wie der Deckel selbst und kaum Platz finden!! (siehe Anhang, Nr. 24)

Wenn es denn wirklich fehlen sollte oder kaputt ist, weiss ich auch nicht, welches ich bestellen sollte. Die variieren leider von Vergaser zu Vergaser...

Beim VW-Haendler gibts andere Vergaserbezeichnungen und zwar:
  • 4,5
  • 2,3
  • 1,2
[INDENT]Welche dieser Nummern gehoert jetzt zu meinem Vergaser?
[/INDENT]
Vielleicht habt Ihr noch einige Erfahrungsberichte zum 2E2-Vergaser und dem Pulldown-System?
Ich habe in Dieter Korb - Jetzt helfe ich mir selbst Golf Cabrio, Scirocco II (Band 145) - Motor buch Verlag gelesen, dass man auf Widerstand stoßen muss, sollte man bei kaltem, laufendem Motor und offenem Vergaser die Starterklappe per Hand eindruecken.
Wie heftig sollte der Widerstand denn sein?


Ist einwenig sehr ausfuerlich geworden, ich wollte einfach mal eine Reihe von Rueckfragen vermeiden. Dadurch sind meine Fragen ein wenig in den Hintergrund geraten, also habe ich sie unterstrichen.
Erstmal vielen Dank fuer die Muehe, das alles durchzulesen :grins:
Dateianhänge
2e2-vergaser-oberteil.gif
2e2-vergaser-oberteil.gif (28.63 KiB) 1063 mal betrachtet
[SIGPIC][/SIGPIC]
Benutzeravatar
sciroccomaker
Erfahrener Nutzer
Beiträge: 2248
Registriert: Di 6. Mär 2007, 07:39
Wohnort: na in der Hauptstadt

AW: Kaltstartproblem

Beitrag von sciroccomaker »

schon mal alles unterdruckschläuche kontrolliert oder erneuert?? sind da sehr empfindlich die dinger wenn der unterdruck nicht stimmt....
[LEFT][SIGPIC][/SIGPIC]
[/LEFT]

GTS -in papyrus grünmet.
Benutzeravatar
Max Mustermann
Benutzer
Beiträge: 37
Registriert: Mo 21. Apr 2008, 18:41
Wohnort: Bremen

AW: Kaltstartproblem

Beitrag von Max Mustermann »

Ne, noch nicht. Im Buch steht was ganz bloedes, was mich bisher vom Pneumatiksystem distanziert hat:
"Zur Ueberprüfung der Pulldowndose verwendet die Werkstatt ein spezieles Messgeraet und eine Unterdruckpumpe."
Mir fehlt dummerweise beides...
Wuerde das Teil und alle Leitungen sehr gerne einfach abbauen, habe nur Angst vor den Konsequenzen, ohne die genannten Hilfmittel zu besitzen.... :-(

Also, was kann ich zu Fuss erledigen?
Ich traue Werkstaetten nicht und bin ein Geizkragen! B-)
[SIGPIC][/SIGPIC]
Benutzeravatar
sciroccomaker
Erfahrener Nutzer
Beiträge: 2248
Registriert: Di 6. Mär 2007, 07:39
Wohnort: na in der Hauptstadt

AW: Kaltstartproblem

Beitrag von sciroccomaker »

ne unterdruckpumpe hast du.... deine lunge....


saugen junge saugen....

einfach alle erneuern... aber nicht alle gleichzeitig abmachen... einem nach dem anderem... und ersetzen.... nix vertauschen...
[LEFT][SIGPIC][/SIGPIC]
[/LEFT]

GTS -in papyrus grünmet.
Benutzeravatar
Max Mustermann
Benutzer
Beiträge: 37
Registriert: Mo 21. Apr 2008, 18:41
Wohnort: Bremen

AW: Kaltstartproblem

Beitrag von Max Mustermann »

Hmm, ich versuchs mal, thx!
[SIGPIC][/SIGPIC]
Benutzeravatar
kogafreund
Benutzer
Beiträge: 995
Registriert: Sa 23. Okt 2004, 14:41

AW: Kaltstartproblem

Beitrag von kogafreund »

Halte Dich lieber an die "originalen" Pierburg-Unterlagen.
Ich könnte Dir einiges als Datei schicken.
Leerlauf u. Kaltstart sind typische Problemzonen beim 2E2,
die aber in den Griff zu bekommen sind.
Lt. Pierburg-Handbuch gibt es hierfür 9 (!) verschiedene Ursachen,
die in Frage kommen.
Ich habe bei meinem 2E2 übrigens die Kaltstartautomatik stillgelegt:
Dieses "Hochjubeln" beim Start hat mich total genervt.
Jetzt springt er ganz sanft an und läuft sehr gut.
Melde Dich einfach, wenn Du noch weitere Infos brauchst.

kogafreund
Scirocco 2 GT, EZ 4/1986, flashsilber, schön tief u. 32er Raid-Lederlenkrad mit ohne Servo :hihi:[SIGPIC][/SIGPIC]
Benutzeravatar
Max Mustermann
Benutzer
Beiträge: 37
Registriert: Mo 21. Apr 2008, 18:41
Wohnort: Bremen

AW: Kaltstartproblem

Beitrag von Max Mustermann »

Ja, prima, das hört sich gut an, danach habe ich gesucht!
Habe beim VW-Händler auch nur hören müssen, dass es schwer sei, noch einen fündigen Fachmann zu finden, der sich mit Vergasern auskennt; man könne hier schließlich ganz viel richtig aber auch ganz viel falsch machen.
Wenn die Lektüre das Wissen des "alten Vergaser-Meisters" wiedergeben kann, nehme ich sie natürlich auszugsweise oder auch ganz gerne ganz entgegen!! :-) )
[SIGPIC][/SIGPIC]
Benutzeravatar
kogafreund
Benutzer
Beiträge: 995
Registriert: Sa 23. Okt 2004, 14:41

AW: Kaltstartproblem

Beitrag von kogafreund »

Naja, daß es keine "Fachleute" mehr gebe, ist so auch nicht richtig:
Ich habe/hatte viel mit Motorrädern zu tun, habe das auch mal etwas gelernt ;-) ... .
In der Motorradtechnik spielen Vergaser immer noch eine große Rolle,
so daß jeder interessierte Motorradschrauber locker mit einem ollen Pkw-Vergaser klarkommen sollte.
Allerdings ist der 2E2 im Detail kompliziert, was ihn auch anfällig macht. Ich sehe gerade:
Du kommst aus Bremen; ich bin in Hamburg. Das ist quasi um die Ecke.
Ich könnte ja mal vorbeikommen, dann sehen wir uns das mal an.
Wie ist denn Deine email-Adresse ?

kogafreund
Scirocco 2 GT, EZ 4/1986, flashsilber, schön tief u. 32er Raid-Lederlenkrad mit ohne Servo :hihi:[SIGPIC][/SIGPIC]
Benutzeravatar
Max Mustermann
Benutzer
Beiträge: 37
Registriert: Mo 21. Apr 2008, 18:41
Wohnort: Bremen

AW: Kaltstartproblem

Beitrag von Max Mustermann »

Habe Dir eine PN geschickt!
[SIGPIC][/SIGPIC]
Benutzeravatar
Max Mustermann
Benutzer
Beiträge: 37
Registriert: Mo 21. Apr 2008, 18:41
Wohnort: Bremen

AW: Kaltstartproblem

Beitrag von Max Mustermann »

Der Kaltstart funktioniert wieder!! :dance:
Anscheinend ist mein Bi-Metall in die Jahre gekommen und gibt zu sehr nach. Also habe ich etwas getrickst:[INDENT]Ich habe die Kerben im Starterdeckel (oben habe ich das fälschlicherweise mit "Starterkappen-Kerben" benannt...) jetzt 1cm von einander entfernt. Also den Starterdeckel gedreht. Dadurch ist der Luftspalt der Starterklappe beim Kaltstart größer, wodurch der Wagen mehr Luft bekommt und auch kalt wieder prima anspringt.
[/INDENT]Runterregeln tut er auch wieder, wenn er denn warm geworden ist.
Zwei frische Dichtungen habe ich meinem Auto aber gegönnt. Mal sehn, ob ich mich auch noch zum Kauf eines frischen Bi-Metalls überreden kann.
[SIGPIC][/SIGPIC]
Antworten