Hi,
wenn du den Aufwand schon betreibst, dann kannst du auch gleich die HA Lagerung und Querlenkerlagerung neu machen, ggf.noch Stabilager und Traggelenk. Dann wird espraktisch 100%ig.
Stoßdämpfer vorne/hinten gleicher Hersteller empfehlenswert?
- christian_scirocco2
- Erfahrener Nutzer
- Beiträge: 6818
- Registriert: So 28. Nov 2004, 13:28
- Wohnort: Münster
AW: Stoßdämpfer vorne/hinten gleicher Hersteller empfehlenswert?
Scirocco 2 GT2 16V
-
Greif81
- Benutzer
- Beiträge: 126
- Registriert: Mo 15. Okt 2007, 19:03
AW: Stoßdämpfer vorne/hinten gleicher Hersteller empfehlenswert?
Genau das habe ich vor, macht Sinn wenn man einmal dabei ist.
Die Querlenker lasse ich auch strahlen.
Habe mir schon die ganzen Sets rausgesucht.
Es macht doch bestimmt auch Sinn die Schrauben neu zu machen, oder ist das nebensächlich?
Die meisten liegen den Reparatursets bei oder kann man bekommen.
Nur die markierte Schraube auf dem Foto habe ich bislang noch nicht gefunden.
Die Querlenker lasse ich auch strahlen.
Habe mir schon die ganzen Sets rausgesucht.
Es macht doch bestimmt auch Sinn die Schrauben neu zu machen, oder ist das nebensächlich?
Die meisten liegen den Reparatursets bei oder kann man bekommen.
Nur die markierte Schraube auf dem Foto habe ich bislang noch nicht gefunden.
[SIGPIC][/SIGPIC]
1988 GTX 1.8 JH 70kw
1988 GTX 1.8 JH 70kw
- Chrischie
- Benutzer
- Beiträge: 376
- Registriert: Di 14. Apr 2009, 22:18
- Wohnort: Emden, Ostfriesland
- Kontaktdaten:
AW: Stoßdämpfer vorne/hinten gleicher Hersteller empfehlenswert?
Darfst gerne mal Links der Sets posten. Hätte wohl auch Interesse dran.
-
Greif81
- Benutzer
- Beiträge: 126
- Registriert: Mo 15. Okt 2007, 19:03
AW: Stoßdämpfer vorne/hinten gleicher Hersteller empfehlenswert?
Habe mal das zusammengestellt, was ich mir zusätzlich zur Aktion "Stoßdämpfer" alles mitbestellt habe:
Habe ausschließlich Febi-Teile rausgesucht.
Teilweise gibts die auch beim Classic-Cars, aber eben maßlos überteuert.
Alles 1.8 JH
0600 / 667
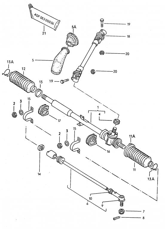
Schaubild Vorderachse/Lenkung/Querlenker etc. Nr.: 6
Gummimetall-Lager / Querlenkerlager
VW-Nr.: 171407181A
Febi-Nr.: 06559
Idealo
Daparto
Nr.: 7
Gummimetall-Lager / Querlenkerlager
VW-Nr.: 171407182D
Febi-Nr.: 06561
Idealo
Daparto
Hinweis: Es gibt die Querlenker auch komplett als Sets inkl. Gummi Nr. 6 und 7 und Schraube Nr. 9
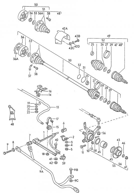
Nr.: 14
Gummilager / Stabilisatorlager an Karosserie
VW-Nr.: 171411313
Febi-Nr.: 02765
Idealo
Daparto
Nr.: 15
Gummilager / Stabilisatorlager an Querlenker
VW-Nr.: 171411314A
Febi-Nr.: 02766
Idealo
Daparto
Nr.: 39
Führungsgelenk / Traggelenk
VW-Nr.: 171407365F
Febi-Nr.: 39813
Idealo
Daparto
Gibts alleine, mit 3, und mit 4 Schrauben. Das hier ist das Set mit allen vieren. Da sind noch Nr. 11 und 12 mit dabei!
Schaubild Vorderachse/Lenkung/Spurstange Nr.: 9
Spurstangenkopf
VW-Nr.: 171419812
Febi-Nr.: 04452
Idealo
Daparto
Inkl. Kronenmutter M12x1.5 (Schaubild-Nr. 7), denke ich!
Schaubild Hinterachse Nr.: 14
Hinterachslager
Bisher nur auf eBay gefunden
Gibts einen Unterschied zwischen Hinterachslager normal und "Hinterachslager fuer Fahrzeuge mit Stabilisator"?
Habe ausschließlich Febi-Teile rausgesucht.
Teilweise gibts die auch beim Classic-Cars, aber eben maßlos überteuert.
Alles 1.8 JH
0600 / 667
Schaubild Vorderachse/Lenkung/Querlenker etc. Nr.: 6
Gummimetall-Lager / Querlenkerlager
VW-Nr.: 171407181A
Febi-Nr.: 06559
Idealo
Daparto
Nr.: 7
Gummimetall-Lager / Querlenkerlager
VW-Nr.: 171407182D
Febi-Nr.: 06561
Idealo
Daparto
Hinweis: Es gibt die Querlenker auch komplett als Sets inkl. Gummi Nr. 6 und 7 und Schraube Nr. 9
Nr.: 14
Gummilager / Stabilisatorlager an Karosserie
VW-Nr.: 171411313
Febi-Nr.: 02765
Idealo
Daparto
Nr.: 15
Gummilager / Stabilisatorlager an Querlenker
VW-Nr.: 171411314A
Febi-Nr.: 02766
Idealo
Daparto
Nr.: 39
Führungsgelenk / Traggelenk
VW-Nr.: 171407365F
Febi-Nr.: 39813
Idealo
Daparto
Gibts alleine, mit 3, und mit 4 Schrauben. Das hier ist das Set mit allen vieren. Da sind noch Nr. 11 und 12 mit dabei!
Schaubild Vorderachse/Lenkung/Spurstange Nr.: 9
Spurstangenkopf
VW-Nr.: 171419812
Febi-Nr.: 04452
Idealo
Daparto
Inkl. Kronenmutter M12x1.5 (Schaubild-Nr. 7), denke ich!
Schaubild Hinterachse Nr.: 14
Hinterachslager
Bisher nur auf eBay gefunden
Gibts einen Unterschied zwischen Hinterachslager normal und "Hinterachslager fuer Fahrzeuge mit Stabilisator"?
[SIGPIC][/SIGPIC]
1988 GTX 1.8 JH 70kw
1988 GTX 1.8 JH 70kw
- Dr G60
- Erfahrener Nutzer
- Beiträge: 1204
- Registriert: Sa 3. Feb 2007, 13:29
- Wohnort: Hünfeld
AW: Stoßdämpfer vorne/hinten gleicher Hersteller empfehlenswert?
Mein Teilehändler vor Ort sagt, Febi taugt nicht, hatten zumindest eine zeitlang arge Qualitätsprobleme, bei Gummilagern und Buchsen und Traggelenken kauf ich Lemförder, kostet ein wenig mehr, aber wenn es länger hält, passt das schon.
Gruß
Gunther
P.S. Den Stabi sollten alle HA haben, zudem hat das Lager keine Verbindung mit dem Stabi, ergo kein Unterschied. Wenn Du den Querlenker strahlst, strahl die Schrauben gleich mit und lass sie auch gelbchromatieren, dann sind sie wie neu
Gruß
Gunther
P.S. Den Stabi sollten alle HA haben, zudem hat das Lager keine Verbindung mit dem Stabi, ergo kein Unterschied. Wenn Du den Querlenker strahlst, strahl die Schrauben gleich mit und lass sie auch gelbchromatieren, dann sind sie wie neu
- Chrischie
- Benutzer
- Beiträge: 376
- Registriert: Di 14. Apr 2009, 22:18
- Wohnort: Emden, Ostfriesland
- Kontaktdaten:
AW: Stoßdämpfer vorne/hinten gleicher Hersteller empfehlenswert?
Danke für die Liste!
Sehr schön!
Sehr schön!