ölkühler+ wärmetauscher
- Folterknecht
- Sehr erfahrener Nutzer
- Beiträge: 14648
- Registriert: Mi 21. Mai 2003, 21:02
- Wohnort: Siegburg
-
el loco rocco2124
- Erfahrener Nutzer
- Beiträge: 3110
- Registriert: Di 4. Okt 2005, 00:11
- Wohnort: In der Mutterstadt
AW: ölkühler+ wärmetauscher
meint er vlt die kanäle? also beim jh gibts auch 2 verschiedene anschlüße,bezieht sich aber auf die ölanschlüsse,nicht auf die befestigungsschrauben.
[SIGPIC][/SIGPIC]
87er gtx mit JH mit klima,automatik,ZV-Alarm,efh,esp,servo,Friedrich doppelrohr,60/40,ats cup
91er gt2, jh,jetzt mit 16er power,noch im umbau und wird und wird nicht fertig!!!!: Lebt jetzt mit nem ABF woanders
90er Audi 100 Avant Komfort Typ 44 , 5 Zylinder NF2 Fronti
91er Audi Kabriolet als Sommer Spielzeug, 5 Zylinder NG, Automatik, Leder, Klima usw
87er gtx mit JH mit klima,automatik,ZV-Alarm,efh,esp,servo,Friedrich doppelrohr,60/40,ats cup
91er gt2, jh,jetzt mit 16er power,noch im umbau und wird und wird nicht fertig!!!!: Lebt jetzt mit nem ABF woanders
90er Audi 100 Avant Komfort Typ 44 , 5 Zylinder NF2 Fronti
91er Audi Kabriolet als Sommer Spielzeug, 5 Zylinder NG, Automatik, Leder, Klima usw
- gojira
- Erfahrener Nutzer
- Beiträge: 1385
- Registriert: Mo 25. Feb 2008, 22:41
- Wohnort: Bikini Bottom
AW: ölkühler+ wärmetauscher
die bohrungen der schrauben passen nicht.
die obere sitzt beim 16v ca. 10mm höher.
die obere sitzt beim 16v ca. 10mm höher.
[SIGPIC][/SIGPIC]
- Folterknecht
- Sehr erfahrener Nutzer
- Beiträge: 14648
- Registriert: Mi 21. Mai 2003, 21:02
- Wohnort: Siegburg
AW: ölkühler+ wärmetauscher
das is doch mist ... kann man das umbauen ? dachte die ganzen 827er blöcke sind gleich :/
...bin dann mal weg
- Giugiaro
- Benutzer
- Beiträge: 729
- Registriert: Sa 29. Jan 2005, 20:51
AW: ölkühler+ wärmetauscher
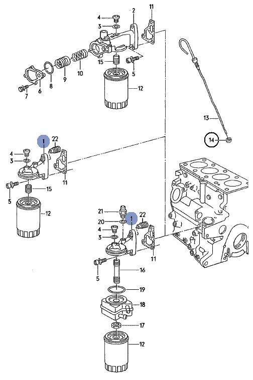
Laut dem guten Teileonkel sind die Anschlüsse des Ölfilterhalters bei den 827er Blöcken gleich. Laut der Grafik unten ist die Position 1 (Ölfilterhalter) bei folgenden MKB verwendet:
EW, EX, HN, JH, RE und KR, PL
Position 2 (Ölfilterhalter mit Thermostat und Anschlüsse für Ölkühler) für folgende MKB:
DX, KT
Auch ist die Dichtung unter den beiden Ölfilterhaltern die gleiche.
Quelle:http://www.vagcat.com
Auch muß ich Elger recht geben. Beim Ölfilterhalter mit Thermostat muß der Steg entfernt werden, damit der Öl-Wasser-Wärmetauscher zusätzlich montiert werden kann. An sonsten paßt er problemlos.
Auch gibt es für diesen noch ein anderes Thermostat (vom Porsche924 war das wohl) welches eher öffnet.
EW, EX, HN, JH, RE und KR, PL
Position 2 (Ölfilterhalter mit Thermostat und Anschlüsse für Ölkühler) für folgende MKB:
DX, KT
Auch ist die Dichtung unter den beiden Ölfilterhaltern die gleiche.
Quelle:http://www.vagcat.com
Auch muß ich Elger recht geben. Beim Ölfilterhalter mit Thermostat muß der Steg entfernt werden, damit der Öl-Wasser-Wärmetauscher zusätzlich montiert werden kann. An sonsten paßt er problemlos.
Auch gibt es für diesen noch ein anderes Thermostat (vom Porsche924 war das wohl) welches eher öffnet.
Grüße Giugiaro
_______________________________________________________________
88er 16v in LA5Y mit: Momo 7x15-195/50/15 Eagle F1 GS-D3,
40mm-Spurverbreiterung HA,alle Streben,Steffan 60/40 Koni-gelb, 32er Momo,
Zimmermann & Ferodo - Stahlflex & ATE-BlueRacing, Hartmann ab Kat,
KR-Kopf+Nocken+Ansaugbrücke, K&N-Filter, 120A-Lima, Corradositze, SHHD,
EFH, ZV, Alarm, bissl Mugge
Tja, wenn du keinen Rocco hast, dann hast du keinen Rocco!
[SIGPIC][/SIGPIC]
_______________________________________________________________
88er 16v in LA5Y mit: Momo 7x15-195/50/15 Eagle F1 GS-D3,
40mm-Spurverbreiterung HA,alle Streben,Steffan 60/40 Koni-gelb, 32er Momo,
Zimmermann & Ferodo - Stahlflex & ATE-BlueRacing, Hartmann ab Kat,
KR-Kopf+Nocken+Ansaugbrücke, K&N-Filter, 120A-Lima, Corradositze, SHHD,
EFH, ZV, Alarm, bissl Mugge
Tja, wenn du keinen Rocco hast, dann hast du keinen Rocco!
[SIGPIC][/SIGPIC]
- Maggus
- Beiträge: 5316
- Registriert: Do 23. Aug 2007, 20:30
- Wohnort: in Ulm um Ulm und um Ulm herum
AW: ölkühler+ wärmetauscher
Nimm vom Gleichen Hersteller wie deinem geposteten Ölkühler diese Adapterplatte.
Da würd ich dann aber gleich auch noch die Schläuche mit neu holen. Den GTI Kühler wieder ab in die Bucht.
Grüssle
Da würd ich dann aber gleich auch noch die Schläuche mit neu holen. Den GTI Kühler wieder ab in die Bucht.
Grüssle
- GTX
- Erfahrener Nutzer
- Beiträge: 8572
- Registriert: So 21. Apr 2002, 19:06
- Wohnort: Frankfurt
AW: ölkühler+ wärmetauscher
Von Positio 1 gibt es definitiv 2 Versionen, glaube ab Modelljahr 91 hats gewechselt. Bilder gabs hier auf jeden Fall mal welche, ich hab sie selbst gepostet weil ich mal das Problem hatte. Wer sucht, der findet.
Gruß Sebastian
Corrado 60 + Volvo 945 Turbo
[SIGPIC][/SIGPIC]
http://keulenschwingerseb.pennergame.de/
Corrado 60 + Volvo 945 Turbo
[SIGPIC][/SIGPIC]
http://keulenschwingerseb.pennergame.de/
- gojira
- Erfahrener Nutzer
- Beiträge: 1385
- Registriert: Mo 25. Feb 2008, 22:41
- Wohnort: Bikini Bottom
AW: ölkühler+ wärmetauscher
das ist gut möglich das es da mal eine änderung gab.GTX hat geschrieben:Von Positio 1 gibt es definitiv 2 Versionen, glaube ab Modelljahr 91 hats gewechselt. Bilder gabs hier auf jeden Fall mal welche, ich hab sie selbst gepostet weil ich mal das Problem hatte. Wer sucht, der findet.
bei meinem pl block (ez.92) passt der gti flansch jedenfalls nicht.
vielleicht kann ja mal jemand einen älteren 16v flansch messen?
[SIGPIC][/SIGPIC]
- Folterknecht
- Sehr erfahrener Nutzer
- Beiträge: 14648
- Registriert: Mi 21. Mai 2003, 21:02
- Wohnort: Siegburg
AW: ölkühler+ wärmetauscher
wenn das teil ankommt kann ich mal guggen ich hab im kelle rnochn standard ölflansch rumleigen
...bin dann mal weg
- Me Myself and I
- Benutzer
- Beiträge: 179
- Registriert: Do 28. Aug 2008, 07:59
- Wohnort: 23617 Lübeck
AW: ölkühler+ wärmetauscher
Man kann die obere Bohrung aber aufbohren und ein Gewinde reinschneiden, dadurch hat man dann wieder das fehlende Befestigungsloch. Der Kanal, der dadurch "verschlossen" wird ist ohnehin noch durchgehend in einen der unteren Kanäle. Hab an meinem 16vt auch einen 1er Gti-Flansch drann.
Si taus vilat, einisses abanet!
Berolina sei's panier!
Berolina sei's panier!