Motor läuft nach
- Dr G60
- Erfahrener Nutzer
- Beiträge: 1206
- Registriert: Sa 3. Feb 2007, 13:29
- Wohnort: Hünfeld
Motor läuft nach
wenn ich bei meinem 90PS EX den Zündschlüssel zurückdrehe, läuft der Motor manchmal stotternd weiter. Ein, zwei mal wieder an und aus, dann ist er bisher immer ausgegangen. Ist natürlich beim letzten TÜV Termin auch passiert und der Prüfer meinte, könnte an den Zündkerzen liegen. Kamen dann neu, Problem blieb. Wo würdet ihr zuerst schauen?
Gruß
Gunther
Gruß
Gunther
-
OSLer
- Erfahrener Nutzer
- Beiträge: 6165
- Registriert: Di 25. Mai 2004, 12:29
AW: Motor läuft nach
Hallo Gunther,
schau mal hier rein: http://www.sciroccoforum.de/forum/showt ... =dehnstoff
Gruss
Lars
schau mal hier rein: http://www.sciroccoforum.de/forum/showt ... =dehnstoff
Gruss
Lars
- cekey
- Erfahrener Nutzer
- Beiträge: 3390
- Registriert: Fr 5. Apr 2002, 12:07
AW: Motor läuft nach
Cool, hatte ich auch mal, Vergaser oder?
war die 3-Punkt Dose, die soll nachdieseln verhindern und war defekt
war die 3-Punkt Dose, die soll nachdieseln verhindern und war defekt
"Das geht nicht" das haben die anderen schon rausgefunden
Jetzt musst du den Weg finden dass das doch geht.
@ michael manousakis
Scirocco ABF, Klima, 6-Gang Erweiterung, Wavetrac-Sperre, Tempomat, ABS
Jetzt musst du den Weg finden dass das doch geht.
@ michael manousakis
Scirocco ABF, Klima, 6-Gang Erweiterung, Wavetrac-Sperre, Tempomat, ABS
- Dr G60
- Erfahrener Nutzer
- Beiträge: 1206
- Registriert: Sa 3. Feb 2007, 13:29
- Wohnort: Hünfeld
AW: Motor läuft nach
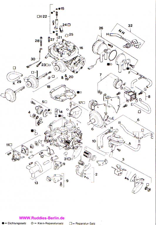
Danke Lars, Cekey ja ist nen Vergaser. Das Dehnstoffelement Teilenummer 026129243C ist bei VW entfallen, bei CP noch für 76 Euro zu bekommen, werde ich dann mal ordern.
Gruß
Gunther
Gruß
Gunther
- Dr G60
- Erfahrener Nutzer
- Beiträge: 1206
- Registriert: Sa 3. Feb 2007, 13:29
- Wohnort: Hünfeld
AW: Motor läuft nach
Sitzt das Teil unter dem Luftfiltergehäuse? Also von vorne am Vergaser?
Gruß
Gunther
Gruß
Gunther
-
OSLer
- Erfahrener Nutzer
- Beiträge: 6165
- Registriert: Di 25. Mai 2004, 12:29
-
OSLer
- Erfahrener Nutzer
- Beiträge: 6165
- Registriert: Di 25. Mai 2004, 12:29
- Dr G60
- Erfahrener Nutzer
- Beiträge: 1206
- Registriert: Sa 3. Feb 2007, 13:29
- Wohnort: Hünfeld
AW: Motor läuft nach
prima, unter dem Link findet sich noch eine Info, dass eine Dichtung zugequollen sein kann, wenn der Tausch des Dehnelementes keine Besserung bringt.
Gruß
Gunther
Gruß
Gunther
- Dr G60
- Erfahrener Nutzer
- Beiträge: 1206
- Registriert: Sa 3. Feb 2007, 13:29
- Wohnort: Hünfeld
AW: Motor läuft nach
Bin heute endlich mal dazu gekommen das Dehnstoffelements zu tauschen. Das sah auch nicht mehr wirklich gut aus. Der Stahlstift, der auf dem Foto zu sehen ist, lässt sich aber leicht in den Vergaser drücken, dann bewegt sich an der Seite ein Element. Hab ihn dennoch getauscht, nur die Plastehülse nicht, da ich diese nicht gewaltlos rausbekommen habe.
Leider dieselt er immer noch nach, muss dann wohl noch nach der evtl. zugequollenen Dichtung 2 schauen.
Gruß
Gunther
Leider dieselt er immer noch nach, muss dann wohl noch nach der evtl. zugequollenen Dichtung 2 schauen.
Gruß
Gunther
- cekey
- Erfahrener Nutzer
- Beiträge: 3390
- Registriert: Fr 5. Apr 2002, 12:07
AW: Motor läuft nach
Lass mal jemanden andern abstellen. Beim Abstellen muss dir die 3-Punktdose sofort die Drosselklappe ganz zu machen. Gesteuert wird das über ein Magnetventil usw.
Kann ja auch noch anderswo fehlen.
Soweit ich weis war das so das bei wenig Unterdruck (Motor stirbt ab) mehr Gas gegeben wurde. Daher fast unmöglich abzustellen. Bei abstellen der Zündung wird dieser Mechanismus abgeschaltet und das Gas voll geschlossen.
mfg ck
Kann ja auch noch anderswo fehlen.
Soweit ich weis war das so das bei wenig Unterdruck (Motor stirbt ab) mehr Gas gegeben wurde. Daher fast unmöglich abzustellen. Bei abstellen der Zündung wird dieser Mechanismus abgeschaltet und das Gas voll geschlossen.
mfg ck
"Das geht nicht" das haben die anderen schon rausgefunden
Jetzt musst du den Weg finden dass das doch geht.
@ michael manousakis
Scirocco ABF, Klima, 6-Gang Erweiterung, Wavetrac-Sperre, Tempomat, ABS
Jetzt musst du den Weg finden dass das doch geht.
@ michael manousakis
Scirocco ABF, Klima, 6-Gang Erweiterung, Wavetrac-Sperre, Tempomat, ABS