Steuergerät 53B 16V PL

Ihr habt ein Problem oder eine technische Frage? Bitte stellt Anleitungen aber in die FAQ!
Antworten
freakbert
Neuer Benutzer
Beiträge: 2
Registriert: So 3. Feb 2008, 13:41

Steuergerät 53B 16V PL

Beitrag von freakbert »

Hi Schrauber...

ich hab da mal nen kleines Problemchen:

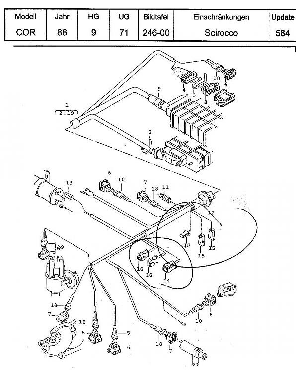
Ich weiß leider nich mehr, wo die aufm Bild markierten Stecker hinkommen bzw. was daran angeklemmt wird.
Ich weiß nur noch noch das die irgendwie wieder hinterm Kühlwassertank liegen und wieder Richtung Sicherungskasten wandern.
Stecker 14 ist nen dreipoliger weißer Stecker.
Stecker 16 ist einmal in weiß und einmal in schwarz.
Stecker 17 und 15 sind denk ich mal Diagnosestecker

Mein Schrauberbuch ausm bucheli-Verlag (Band 1221) gibt leider keine Informationen ausm Stromlaufplan preis. Mein VW-Mensch will/kann mir da auch nich wirklich helfen. :kopfhaue:

Vielen Dank schon mal Voraus :)

Bis demnächst

Ingo
Dateianhänge
steuergerät-kabelbaum.jpg
steuergerät-kabelbaum.jpg (75.07 KiB) 258 mal betrachtet
Benutzeravatar
Giugiaro
Benutzer
Beiträge: 729
Registriert: Sa 29. Jan 2005, 20:51

AW: Steuergerät 53B 16V PL

Beitrag von Giugiaro »

Schreib doch mal was zu den Kabelfarben.
Das ist eindeutiger als nur nach den Steckern zu gehen.
Grüße Giugiaro
_______________________________________________________________

88er 16v in LA5Y mit: Momo 7x15-195/50/15 Eagle F1 GS-D3,
40mm-Spurverbreiterung HA,alle Streben,Steffan 60/40 Koni-gelb, 32er Momo,
Zimmermann & Ferodo - Stahlflex & ATE-BlueRacing, Hartmann ab Kat,
KR-Kopf+Nocken+Ansaugbrücke, K&N-Filter, 120A-Lima, Corradositze, SHHD,
EFH, ZV, Alarm, bissl Mugge


Tja, wenn du keinen Rocco hast, dann hast du keinen Rocco! :grins:

[SIGPIC][/SIGPIC]
Benutzeravatar
scirocab
Benutzer
Beiträge: 136
Registriert: Mo 18. Jun 2007, 17:41
Wohnort: Oberpfalz

AW: Steuergerät 53B 16V PL

Beitrag von scirocab »

Hallo, Kabelfarben wären eine zusätzliche Hilfe.

Hier glaube ich ist der dreipolige weisse Stecker Nr. 14 an der Drosselklappe, die anderen konnte ich auf die Schnelle nicht finden.

Bild


mfg, Markus
[SIGPIC][/SIGPIC]
Antworten