Stoßdämpfer, Federbein, Patrone???

Ihr habt ein Problem oder eine technische Frage? Bitte stellt Anleitungen aber in die FAQ!
Benutzeravatar
lenno
Benutzer
Beiträge: 464
Registriert: Mo 24. Jan 2011, 22:16
Wohnort: Bremen, Germany, Germany

AW: Stoßdämpfer, Federbein, Patrone???

Beitrag von lenno »

Lenno, Du wirfst ständig die Begriffe durcheinander, deshalb verwirrt es Dich auch.

Basiswissen in Bildern
Ich glaube ein bisschen was habe ich auch schon gelernt. Aber das verwirrende für mich ist das die Kolbenstange auf den Bildern immer in der Patrone ist. Also scheint das doch 1 Element zu sein oder?
Heißt du brauchst B8 und dann is jut.
Das war der Plan!

Dann behauptet aber der Bilstein Mann das die B8 entfallen sind, aber die Patrone von den Bilstein B6 und B8 die gleiche ist. Wenn ich den B8 auswähle ist es auch exakt die gleiche Nummer wie für die B6.
Benutzeravatar
Ralle
Erfahrener Nutzer
Beiträge: 6150
Registriert: So 14. Mär 2004, 23:29
Wohnort: Kassel

AW: Stoßdämpfer, Federbein, Patrone???

Beitrag von Ralle »

Ok, noch mehr zum Lesen:

wikipedia

Wie vieles andere auch besteht ein Stossdämpfer/Dämpferpatrone/Federbeineinsatz aus mehreren Einzelteilen.

Unter Anderem:

-Gehäuse
-Kolbenstange (bewegt sich im Gehäuse auf und ab)
-Dämpfungsmedium (Öl, Gas oder beides)
-verschiedene Ventile (steuern die Bewegungen des Dämpfungsmediums)

Also....

Die von Dir genannte "Patrone" ist das komplette Bauteil, die Kolbenstange ist ein Bestandteil der "Patrone". ;-)

Klicke auf die Links, die ich gepostet habe.
Gruß von Ralf :wink:

Ich bin Schizophren, aber das ist uns egal!

91er GT2, JH, grün-perleffekt
Benutzeravatar
lenno
Benutzer
Beiträge: 464
Registriert: Mo 24. Jan 2011, 22:16
Wohnort: Bremen, Germany, Germany

AW: Stoßdämpfer, Federbein, Patrone???

Beitrag von lenno »

Den Wiki Eintrag habe ich gelesen. Ansich ist mir auch so ziemlich alles klar. Ich glaube der Bilstein Mensch erzählt einfach mist.

Bestandteil der Bilstein B6 Patrone ist die Kolbenstange die komplett ausfahren kann. Bei den B8 kann die Kolbenstange nicht ganz ausfahren. Das ist der Rebound. Bei Bilstein wird jetzt aber nichtmehr zwischen den B6 und den B8 unterschieden. Zumindest ist es die selbe Teilenummer, dann werden es auch gleiche Teile sein.

Fazit: Bei Bilstein sind die B8 entfallen und wurden durch die B6 ersetzt. Keine Bilstein Dämpfer mit Rebound für den Scirocco an der VA mehr Lieferbar.

Richtig? Dann weiß ich jetzt bescheid!
Benutzeravatar
Ralle
Erfahrener Nutzer
Beiträge: 6150
Registriert: So 14. Mär 2004, 23:29
Wohnort: Kassel

AW: Stoßdämpfer, Federbein, Patrone???

Beitrag von Ralle »

lenno hat geschrieben: Fazit: Bei Bilstein sind die B8 entfallen und wurden durch die B6 ersetzt. Keine Bilstein Dämpfer mit Rebound für den Scirocco an der VA mehr Lieferbar.
So habe ich es auch gerade gelesen. :-)
Gruß von Ralf :wink:

Ich bin Schizophren, aber das ist uns egal!

91er GT2, JH, grün-perleffekt
Benutzeravatar
lenno
Benutzer
Beiträge: 464
Registriert: Mo 24. Jan 2011, 22:16
Wohnort: Bremen, Germany, Germany

AW: Stoßdämpfer, Federbein, Patrone???

Beitrag von lenno »

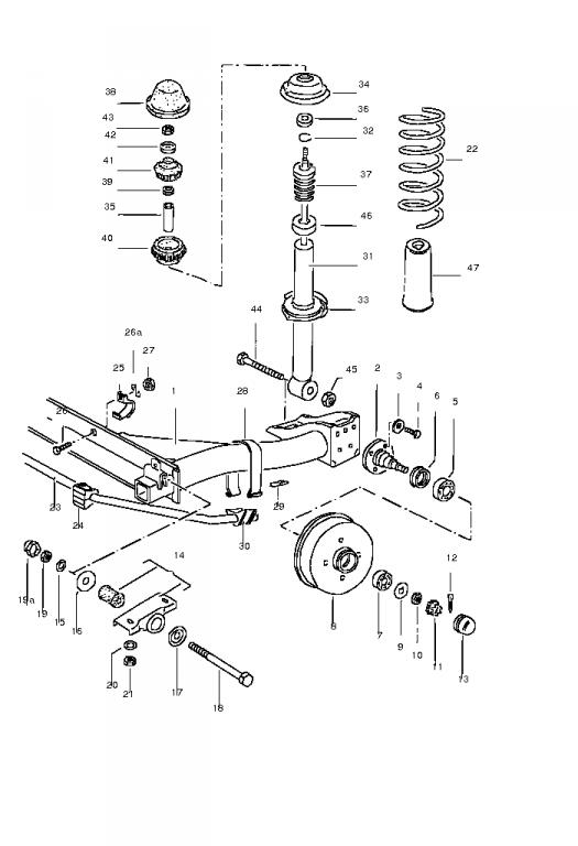
Mein Vorschlag:

Du brauchst

-(A) Dämpferpatrone
-(B) Überwurfmutter
-(4) Staubkappe
-(5) Anschlaggummi
-(6) Domlager (ich habe mit FEBI/Bilstein gute Erfahrungen gemacht)
-(18) Exzenterschraube
-(19) Exzenterscheibe
-(20) Scheibe
-(21) Mutter

Pos. 9, 10 und 11 sind nicht zwingend neu zu kaufen, sie sollten normalerweise noch in gutem
Zustand sein.
Pos. 13, 14 und 15 solltest Du bereits in Deinem Schrauben-Grundsortiment haben.
Brauch ich genau das gleiche auch für hinten? Oder noch was anderes oder weniger?
Benutzeravatar
saxcab
Benutzer
Beiträge: 566
Registriert: So 25. Dez 2011, 22:31
Wohnort: Nähe Chemnitz

AW: Stoßdämpfer, Federbein, Patrone???

Beitrag von saxcab »

Nein, da ist es einfacher.
Du bestellst Dir einen Satz Stoßdämpfer, baust alles alte aus und wechselst auf den neuen Dämpfer um.

Als Vorbereitung für diese Arbeit empfiehlt es sich, die untere Befestigung an der Karosse ein paar Tage vorher gut mit Rostlöser einzusprühen. Und ein Satz neue Schrauben für den Tag des Umbaus bereit zu halten ist auch nicht verkehrt.

Hast Du den Wechsel vorne schon gemacht?
_____________________________________________________________________________________________________________________
Gruß André
Golf 1 Cabrio Classicline, 03/91, verkauft mit 113000km am 16.11.2016
Jetta 1 GL, 08/83, verkauft mit 182000km am 18.04.2016
Scirocco 1 LS, 10/78, verkauft mit 60000km am 07.04.2017
Benutzeravatar
lenno
Benutzer
Beiträge: 464
Registriert: Mo 24. Jan 2011, 22:16
Wohnort: Bremen, Germany, Germany

AW: Stoßdämpfer, Federbein, Patrone???

Beitrag von lenno »

Nein noch nicht. Ich habe mir ein ganzes Sportfahrwerk bestellt was ich auch nicht selber einbauen werde. Hinten sind noch gute Stoßdämpfer, also die wurden erst vor nem guten Jahr verbaut. Da dürfte ja noch nichts wieder festgegammelt sein. Domlager, Staubkappe und Anschlaggummi brauch ich doch für hinten auch? Wie siehts aus mit Pos. 18-21 und Pos. 13-15? Ist damit der Satz Schrauben gemeint?
Benutzeravatar
saxcab
Benutzer
Beiträge: 566
Registriert: So 25. Dez 2011, 22:31
Wohnort: Nähe Chemnitz

AW: Stoßdämpfer, Federbein, Patrone???

Beitrag von saxcab »

Du meinst sicherlich Sportfedern.
Wenn es ein komplettes Fahrwerk wäre, so sind da auch Dämpfer für hinten bei.

Staubkappen und Puffer sollten erneuert werden. Ein Domlager wie vorn gibt es hinten nicht.
Dateianhänge
106000.jpg
_____________________________________________________________________________________________________________________
Gruß André
Golf 1 Cabrio Classicline, 03/91, verkauft mit 113000km am 16.11.2016
Jetta 1 GL, 08/83, verkauft mit 182000km am 18.04.2016
Scirocco 1 LS, 10/78, verkauft mit 60000km am 07.04.2017
Benutzeravatar
lenno
Benutzer
Beiträge: 464
Registriert: Mo 24. Jan 2011, 22:16
Wohnort: Bremen, Germany, Germany

AW: Stoßdämpfer, Federbein, Patrone???

Beitrag von lenno »

Nö, ich mein nen ganzes Fahrwerk. Stoßdämpfer sind auch dabei. Hinten heißt das Teil dann Federbeinstützlager richtig? Brauch ich die Pos. 18-21 und Pos. 13-15?
Benutzeravatar
saxcab
Benutzer
Beiträge: 566
Registriert: So 25. Dez 2011, 22:31
Wohnort: Nähe Chemnitz

AW: Stoßdämpfer, Federbein, Patrone???

Beitrag von saxcab »

Bist Du jetzt wieder bei der Vorderachse oder hinten?
_____________________________________________________________________________________________________________________
Gruß André
Golf 1 Cabrio Classicline, 03/91, verkauft mit 113000km am 16.11.2016
Jetta 1 GL, 08/83, verkauft mit 182000km am 18.04.2016
Scirocco 1 LS, 10/78, verkauft mit 60000km am 07.04.2017
Antworten