christian_scirocco2 hat geschrieben:Hi,
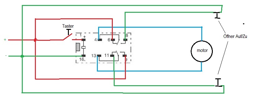
probuiers mal hiermit: [ATTACH=CONFIG]76002[/ATTACH]
Bin nicht so der paint und Zeichenkünstler. Es funktioneirt so. Nur darf keiner der Kontakte mal kleben, sonst knallts.

Bi stabil, heißt einmal Spannung auf die Spule = Ein, nochmal einen Puls Spannung auf die Spule = Aus
Hallo zusammen,
hab gerade mal etwas gegoogelt. Theoretisch würde das mit Stromstoßschaltern (Eltakos) schon funktionieren, da die bis zum nächsten Schaltimpuls in der letzten Schaltstellung bleiben, sich also den letzten Schaltzustand "merken". Praktisch gibt's da aber einige Probleme: Die Eltakos die ich gefunden habe sind alle keine Umschalter, wie sie benötigt werden, sondern kennen nur den Zustand "Ein - Aus". Wenn man die Schaltung damit nachbilden wollte, brauchte man 4 Eltakos - bei nem Stückpreis von über 30 Euronen eine kostspielige Angelegenheit. Und da darf nichts aus dem Takt geraten, sonst wirklich "Bumm und Stichflamme", bei 220 V nicht empfehlenswert

.
Ich hab da was anderes gefunden, was weiterhelfen könnte: Funktioniert mit einem Motorumpol-Relais und 2 Niederspannungs- Eltakos.
<Klick>
Leider kann ich die Forumsbeiträge nicht weiterlesen, da man dazu Forumsmitglied sein muss.
Ein kleines Problem ist, dass das Motorumpolrelais nur mit 12V funktioniert, aber da könnte man einen Motor aus dem Modellbaubereich verwenden. Mit einer entsprechenden Übersetzungsollte der auch eine schwerere Schublade problemlos öffnen und schließen können.
Ich meld mich morgen mal da an und lese den Thread mal weiter. Ist für mich auch interessant, da ich so eine Motorsteuerung auch vor kurzem gebraucht hätte.