16V Umbau vom JH
- dsghary
- Benutzer
- Beiträge: 349
- Registriert: Mo 1. Mär 2010, 19:54
- Wohnort: Plauen
- MALFAROMEO
- Benutzer
- Beiträge: 247
- Registriert: Sa 15. Jan 2011, 19:00
- Wohnort: Hamburg
AW: 16V Umbau vom JH
Super das ist genau das was ich wissen wollte
Danke dir für die Hilfe
Gruß Mathieu
Danke dir für die Hilfe
Gruß Mathieu
- MALFAROMEO
- Benutzer
- Beiträge: 247
- Registriert: Sa 15. Jan 2011, 19:00
- Wohnort: Hamburg
AW: 16V Umbau vom JH
Moin Forum,
Ich hab zu meinem Umbau mal wieder ein paar Kurze Fragen. Vielleicht hat jemand ein Paar Passende Antworten.
Als erstes geht es um die Kurbelgehäuse Entlüftung, Weiß Jemand ob man irgendwo noch diesen Schlauch und das Stück was am Block dran ist irgendwo her bekommt oder hat das noch jemand für mich liegen?
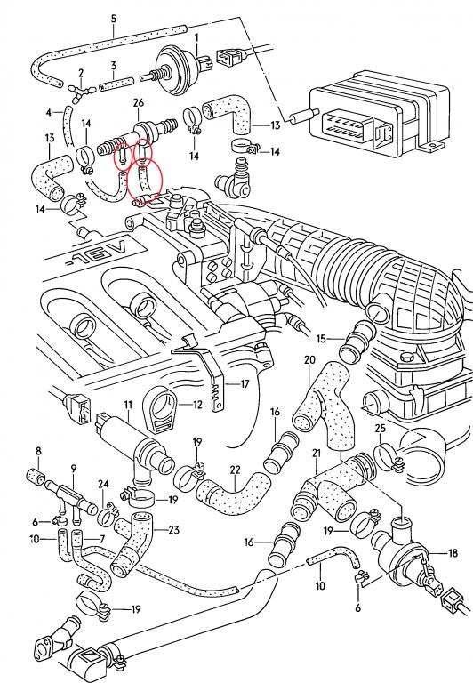
Dann geht es mir um den 2. dünneren Schlauch der von der anderen Seite an die Kurbelgehäuse Entlüftung geht, Ist das Richtig das der an den Unteren Anschluss der Ansaugbrücke geht ? Hoffe auf dem Bild erkentn man welchen ich meine.
Und als letztes wäre Super wenn mir noch jemand sagen kann welches Benzinpumpenrelai ihr im KR/PL habt. habe gelesen das es ein Blaues mit der Nr 67. sein soll, hat jemand das von euchauch verbaut? oder welches könnte ich Stattdessen nehmen?
Lieben Dank schon mal für eure Antworten
Gruß Mathieu
Ich hab zu meinem Umbau mal wieder ein paar Kurze Fragen. Vielleicht hat jemand ein Paar Passende Antworten.
Als erstes geht es um die Kurbelgehäuse Entlüftung, Weiß Jemand ob man irgendwo noch diesen Schlauch und das Stück was am Block dran ist irgendwo her bekommt oder hat das noch jemand für mich liegen?
Dann geht es mir um den 2. dünneren Schlauch der von der anderen Seite an die Kurbelgehäuse Entlüftung geht, Ist das Richtig das der an den Unteren Anschluss der Ansaugbrücke geht ? Hoffe auf dem Bild erkentn man welchen ich meine.
Und als letztes wäre Super wenn mir noch jemand sagen kann welches Benzinpumpenrelai ihr im KR/PL habt. habe gelesen das es ein Blaues mit der Nr 67. sein soll, hat jemand das von euchauch verbaut? oder welches könnte ich Stattdessen nehmen?
Lieben Dank schon mal für eure Antworten
Gruß Mathieu
- Nordrocco
- Beiträge: 891
- Registriert: Sa 20. Okt 2007, 09:41
- Wohnort: Aachen
- Kontaktdaten:
AW: 16V Umbau vom JH
zu1) wird schwierig zu bekommen, meines behalte ich ;)
zu2) kann ich gleich mal nachschauen
zu3) das Blaue ist das Richtige. Kannst auch das mit der Nr. 167 nehmen. Das gibt es für nen schmalen Taler noch neu.
zu2) kann ich gleich mal nachschauen
zu3) das Blaue ist das Richtige. Kannst auch das mit der Nr. 167 nehmen. Das gibt es für nen schmalen Taler noch neu.
[SIGPIC][/SIGPIC]
- MALFAROMEO
- Benutzer
- Beiträge: 247
- Registriert: Sa 15. Jan 2011, 19:00
- Wohnort: Hamburg
AW: 16V Umbau vom JH
Moin Nordrocco
Hab ich mir fast gedacht, dann kann man wahrscheinlich nur warten das so ein Schlauch irgendwo angeboten wird oder ich muss mir was Basteln.
Wäre Klasse wenn du mal nachschauen kannst und mir beschreiben kannst wo der Genau hin führt, und wenn nicht zur Ansaugbrücke dann vielleicht gucken was an den Ansaugbrücken Anschluss unten angeschlossen wird.
Super dann Schau ich mal nach dem 167er Relais
Danke schon mal fürs nachschauen :)
Hab ich mir fast gedacht, dann kann man wahrscheinlich nur warten das so ein Schlauch irgendwo angeboten wird oder ich muss mir was Basteln.
Wäre Klasse wenn du mal nachschauen kannst und mir beschreiben kannst wo der Genau hin führt, und wenn nicht zur Ansaugbrücke dann vielleicht gucken was an den Ansaugbrücken Anschluss unten angeschlossen wird.
Super dann Schau ich mal nach dem 167er Relais
Danke schon mal fürs nachschauen :)
- christian_scirocco2
- Erfahrener Nutzer
- Beiträge: 6807
- Registriert: So 28. Nov 2004, 13:28
- Wohnort: Münster
AW: 16V Umbau vom JH
Hallo,
zu
1) Kauf dir einen vom Golf 2 und paß dir den auf deine Bedürfnisse an, AFAIk sind die für den Rocco ersatzlos entfallen.
2) Liegst du richtig. Habe ich bei mir so geklöst das der Unterdruckanschluß der Suagbrücke auf die Ansuaghutze geht - keine/weniger Öldämpfe in der Ansaugbrücke.
3) Wurde dir bereits geantwortet, nimm das 167. Gibt auch noch andere Relais mit gleicher Funktion von VW/Audi.
gruß Christian
zu
1) Kauf dir einen vom Golf 2 und paß dir den auf deine Bedürfnisse an, AFAIk sind die für den Rocco ersatzlos entfallen.
2) Liegst du richtig. Habe ich bei mir so geklöst das der Unterdruckanschluß der Suagbrücke auf die Ansuaghutze geht - keine/weniger Öldämpfe in der Ansaugbrücke.
3) Wurde dir bereits geantwortet, nimm das 167. Gibt auch noch andere Relais mit gleicher Funktion von VW/Audi.
gruß Christian
Scirocco 2 GT2 16V
-
Meiki
AW: 16V Umbau vom JH
Welchen Schlauch meinst Du?
Hab mir da erst was aus Italien kommen lassen.
- COB
- Erfahrener Nutzer
- Beiträge: 6671
- Registriert: Fr 3. Jul 2009, 12:29
- Wohnort: CHE/ERL
AW: 16V Umbau vom JH
Der dünne Schlauch von der KGE sollte aber genau da hinten an der DroKla angesteckt werden, sonst entgast der den nicht so wie er soll.
Die VW-Horde: Scirocco GT (93-99) - Passat C (95-01) - Scirocco GTX (99-heute)
Die BMW-Horde: 525iT (01-07) - 540iT (07-heute) - 540iA (09-heute) - 528iT (10-heute) - 520dT (18-heute)
Haftungsausschluss: Alle gemachten Aussagen stellen lediglich die Sichtweise des Autors anhand der vorliegenden Informationen dar. Der Autor übernimmt keinerlei Haftung für die Befolgung gemachter Ratschläge und Hinweise. Jeder Halter ist für die Sicherheit seines Fahrzeuges vollumfänglich selbst verantwortlich und handelt somit immer eigenverantwortlich.
Die BMW-Horde: 525iT (01-07) - 540iT (07-heute) - 540iA (09-heute) - 528iT (10-heute) - 520dT (18-heute)
Haftungsausschluss: Alle gemachten Aussagen stellen lediglich die Sichtweise des Autors anhand der vorliegenden Informationen dar. Der Autor übernimmt keinerlei Haftung für die Befolgung gemachter Ratschläge und Hinweise. Jeder Halter ist für die Sicherheit seines Fahrzeuges vollumfänglich selbst verantwortlich und handelt somit immer eigenverantwortlich.
- MALFAROMEO
- Benutzer
- Beiträge: 247
- Registriert: Sa 15. Jan 2011, 19:00
- Wohnort: Hamburg
AW: 16V Umbau vom JH
Klasse danke für die ganzen Hilfreichen Antworten von euch :)
@christian_scirocco2. Ok dann würde ich den Großen Schlauch der KGE vom Golf 2 nehmen und ein wenig anpassen das sollte ja kein Thema sein. Weiß jemand wo ich den her bekomme oder die Genaue Teilenummer, gibt ja anscheinend verschiedene laut dem Bild von Meiki.
zu2. Ok das ist dann ja auch wesentlich leichter wenn man das Stück direkt an die Ansaughutze anschließt, Hast du das also genauso angeschlossen wie auf den Bildern hier?
@Meiki, Welcher von denen weiß ich gar nicht genau, würde sagen das müsste dann der Schlauch nr. 4 sein wenn ich das mit dem Dünnen so mache wie christian_scirocco2 es meint.
@Cob Aber die Schläuche der KGE gehen ja gar nicht zur Drosselklappe, an die DK kommt ja ein Ganz dünner vom Ventil hinten an der Drosselklappe zum Bremskraftverstärker:
@christian_scirocco2. Ok dann würde ich den Großen Schlauch der KGE vom Golf 2 nehmen und ein wenig anpassen das sollte ja kein Thema sein. Weiß jemand wo ich den her bekomme oder die Genaue Teilenummer, gibt ja anscheinend verschiedene laut dem Bild von Meiki.
zu2. Ok das ist dann ja auch wesentlich leichter wenn man das Stück direkt an die Ansaughutze anschließt, Hast du das also genauso angeschlossen wie auf den Bildern hier?
@Meiki, Welcher von denen weiß ich gar nicht genau, würde sagen das müsste dann der Schlauch nr. 4 sein wenn ich das mit dem Dünnen so mache wie christian_scirocco2 es meint.
@Cob Aber die Schläuche der KGE gehen ja gar nicht zur Drosselklappe, an die DK kommt ja ein Ganz dünner vom Ventil hinten an der Drosselklappe zum Bremskraftverstärker:
-
öltaucher
- Benutzer
- Beiträge: 468
- Registriert: So 6. Jan 2008, 17:23
- Wohnort: Garbsen
AW: 16V Umbau vom JH
Wenns noch hilft,
hier der dünne Schlauch zur Ansaugbrücke:
hier der dünne Schlauch zur Ansaugbrücke:
Viele Grüße
Christian
Christian