scirocco GT2 startprobleme

Ihr habt ein Problem oder eine technische Frage? Bitte stellt Anleitungen aber in die FAQ!
Benutzeravatar
Thomas94
Benutzer
Beiträge: 242
Registriert: Di 18. Jul 2017, 18:33
Wohnort: GT, KB und EP

AW: scirocco GT2 startprobleme

Beitrag von Thomas94 »

:grins:

Ich würde ja gerne helfen, aber ich hab selber nicht so den Durchblick bei der Spritze. Und weit weg isses auch.

In nem Forum für recht seltene Sciroccos hat man leider nicht die Reichweite und Präsenz wie im Golf IV Forum :-) )

Meine (recht bedürftigen) Schrauberkenntnisse an der K-Jet würden mich bei deinem Fall erst mal zum Systemdruck bringen. Also Manometer und ein paar Adapter kaufen und los gehts :D

Irgendwo im Netz gibts schöne Tabellen mit Kühlmitteltemperatur und Systemdruck. Das ist Praktisch das EKG oder Blutdruck von so ner K-Jet. Damit kann man echt viel diagnostizieren.
Oder die 5. Düse ist (zu lange oder gar nicht) am pinkeln und daher zu fettes/mageres Gemisch beim/ nach dem Starten. Ferndiagnose bei der Jetronic braucht eine FUNKTIONIERENDE magische Kugel, aber alle die ich bestellt habe waren immer kaputt und die originalen von Bosch sind nirgendwo zu finden :/

Evtl. einfach mal die 5. Düse raus schrauben und das Verhalten beim Starten beobachten.
Benutzeravatar
mein kleiner
Neuer Benutzer
Beiträge: 14
Registriert: Mi 11. Apr 2018, 18:51
Wohnort: Birstein

AW: scirocco GT2 startprobleme

Beitrag von mein kleiner »

alles schon zelebriert mit dem 5 ten Ventil.Aber danke fürs Interesse.Thermoschalter auch gerade noch gewechselt.Aber keine Veränderung.
Benutzeravatar
Reno84
Benutzer
Beiträge: 595
Registriert: Do 1. Feb 2007, 10:00
Wohnort: Ludwigsburg

AW: scirocco GT2 startprobleme

Beitrag von Reno84 »

Verteilerkappe und Finger auch gewechselt?
Du hast nur die Zündkerzen aufgeführt.
Und zu guter letzt, wurden denn die Bauteile auf Funktion getestet?
Nur wechseln bringt bei einem Bauteil das gut ist wenig.
Thermozeitschalter und fast alles andere kann man rausmessen.
Das Jhims Buch hast du?
Wurde in der ZE was verändert außer dem Pumpenrelais?

Bin gespannt was die Ursache ist, viel Erfolg :-)
gruß reno
Benutzeravatar
COB
Erfahrener Nutzer
Beiträge: 6671
Registriert: Fr 3. Jul 2009, 12:29
Wohnort: CHE/ERL

AW: scirocco GT2 startprobleme

Beitrag von COB »

Nur mal so am Rande, die Spritpumpenrelais, die vor pumpen, das sind die vom DX oder ? Der hat doch auch eine höhere Abregeldrehzahl, wenn ich nicht irre. Erkennt man die irgendwie von außen oder hat einer zufällig nen T/N von... im ETKAr ist das nicht so ganz offensichtlich, da stehen einige Relais drin...
Die VW-Horde: Scirocco GT (93-99) - Passat C (95-01) - Scirocco GTX (99-heute)
Die BMW-Horde: 525iT (01-07) - 540iT (07-heute) - 540iA (09-heute) - 528iT (10-heute) - 520dT (18-heute)

Haftungsausschluss: Alle gemachten Aussagen stellen lediglich die Sichtweise des Autors anhand der vorliegenden Informationen dar. Der Autor übernimmt keinerlei Haftung für die Befolgung gemachter Ratschläge und Hinweise. Jeder Halter ist für die Sicherheit seines Fahrzeuges vollumfänglich selbst verantwortlich und handelt somit immer eigenverantwortlich.
Benutzeravatar
Onkel-Fred
Benutzer
Beiträge: 37
Registriert: Mi 19. Dez 2018, 14:27
Wohnort: Rhön

AW: scirocco GT2 startprobleme

Beitrag von Onkel-Fred »

Moin,
mal die Temperaturfühler geprüft? Glaube das der JH, wie der 16V auch 2 hat. Einen für Kühlflüssigkeit der andere für die Öltemperatur.
Sehen beide identisch aus und sitzen am JH in der Nähe vom Thermozeitschalter.
Wenn beide Kabel vertauscht und falsch angeschlossen sind, springt er ebenfalls sehr schlecht an.
War bei mir mal so als der Vorbesitzer die falsch angeschlossen hatte und ich ähnlich wie du gefühlt alles getauscht hatte
Benutzeravatar
COB
Erfahrener Nutzer
Beiträge: 6671
Registriert: Fr 3. Jul 2009, 12:29
Wohnort: CHE/ERL

AW: scirocco GT2 startprobleme

Beitrag von COB »

Onkel-Fred hat geschrieben:Moin,
mal die Temperaturfühler ...für Kühlflüssigkeit der andere für die Öltemperatur.
Sehen beide identisch aus und sitzen am JH in der Nähe vom Thermozeitschalter.
...
Eigentlich übergehe ich so Beiträge, aber das hier ist eine grobe Fehlinformation, die leider keinem weiter hilft. Der JH hat, wie alle Kat-Einspritzer, ZWEI Temperaturfühler im Wasserstutzen, einer davon fürs Fernthermometer, der andere für die ECU. Die Öltemperatur hat mit der Motorsteuerung rein gar nichts zu tun und der Geber dafür (so überhaupt vorbaut) sitzt bei den 8V Meilen weit davon entfernt im Ölfilterstutzen.
Die VW-Horde: Scirocco GT (93-99) - Passat C (95-01) - Scirocco GTX (99-heute)
Die BMW-Horde: 525iT (01-07) - 540iT (07-heute) - 540iA (09-heute) - 528iT (10-heute) - 520dT (18-heute)

Haftungsausschluss: Alle gemachten Aussagen stellen lediglich die Sichtweise des Autors anhand der vorliegenden Informationen dar. Der Autor übernimmt keinerlei Haftung für die Befolgung gemachter Ratschläge und Hinweise. Jeder Halter ist für die Sicherheit seines Fahrzeuges vollumfänglich selbst verantwortlich und handelt somit immer eigenverantwortlich.
Benutzeravatar
christian_scirocco2
Erfahrener Nutzer
Beiträge: 6829
Registriert: So 28. Nov 2004, 13:28
Wohnort: Münster

AW: scirocco GT2 startprobleme

Beitrag von christian_scirocco2 »

Bevor du jetzt immer wild irgendwelche Teile tauscht, besorg dir den VW Reparaturleitfaden für den Motor und dann alles in Ruhe durchgehen.
Auch nochmals in Ruhe Sachen kontrollieren wie:
Undichtigkeiten im Unterdrucksystem, Masseverbindungen, Kontake, Kabel(brechen gerne inndem Alter).
Und danach beginnen zu den Feinheiten zu kommen wie Systemdruck,Steuerdruck, gleichmäßige Einspritzmengen, Stauscheibenlage, Zündung abblitzen usw.usw..

Es reicht übrigens schon eine Verschmoferte KW Gehäuseentlüftung und der Motor läuft im Stand nicht mehr rund - selbst schon gehabt. Daher ruhig durchschauen, alles in Betracht ziehen.

Gruß Christian
Scirocco 2 GT2 16V
Benutzeravatar
Onkel-Fred
Benutzer
Beiträge: 37
Registriert: Mi 19. Dez 2018, 14:27
Wohnort: Rhön

AW: scirocco GT2 startprobleme

Beitrag von Onkel-Fred »

COB hat geschrieben:Eigentlich übergehe ich so Beiträge, aber das hier ist eine grobe Fehlinformation, die leider keinem weiter hilft. Der JH hat, wie alle Kat-Einspritzer, ZWEI Temperaturfühler im Wasserstutzen, einer davon fürs Fernthermometer, der andere für die ECU. Die Öltemperatur hat mit der Motorsteuerung rein gar nichts zu tun und der Geber dafür (so überhaupt vorbaut) sitzt bei den 8V Meilen weit davon entfernt im Ölfilterstutzen.
Aus meinem Beitrag auf die schnelle heute früh geht eigentlich hervor was gemeint ist. Steht kurz knapp schon in der ersten Frage von mir. Öltemp hab ich mich verschrieben, Schande über mein Haupt.
Trotzdem bleibt der Sinn meiner Aussage bestehen, darfst gerne Mal die Temp Fühler Wasser und Steuergerät vertauscht anschließen und schauen was passiert. Deshalb fehlende Hilfe vorzuwerfen find ich nicht angebracht, aber darf zum Glück ja jeder seine Meinung haben
Benutzeravatar
COB
Erfahrener Nutzer
Beiträge: 6671
Registriert: Fr 3. Jul 2009, 12:29
Wohnort: CHE/ERL

AW: scirocco GT2 startprobleme

Beitrag von COB »

Onkel-Fred hat geschrieben: darfst gerne Mal die Temp Fühler Wasser und Steuergerät vertauscht anschließen und schauen was passiert.
Dürfte kniffelig werden, schon weil man die beiden Stecker schlicht nicht vertauschen kann... ;-)
Die VW-Horde: Scirocco GT (93-99) - Passat C (95-01) - Scirocco GTX (99-heute)
Die BMW-Horde: 525iT (01-07) - 540iT (07-heute) - 540iA (09-heute) - 528iT (10-heute) - 520dT (18-heute)

Haftungsausschluss: Alle gemachten Aussagen stellen lediglich die Sichtweise des Autors anhand der vorliegenden Informationen dar. Der Autor übernimmt keinerlei Haftung für die Befolgung gemachter Ratschläge und Hinweise. Jeder Halter ist für die Sicherheit seines Fahrzeuges vollumfänglich selbst verantwortlich und handelt somit immer eigenverantwortlich.
Benutzeravatar
Onkel-Fred
Benutzer
Beiträge: 37
Registriert: Mi 19. Dez 2018, 14:27
Wohnort: Rhön

AW: scirocco GT2 startprobleme

Beitrag von Onkel-Fred »

COB hat geschrieben:Dürfte kniffelig werden, schon weil man die beiden Stecker schlicht nicht vertauschen kann... ;-)
Ich weiß jetzt nicht was an 2 ISO/DIN genormten Kabelschuhen kniffelig oder nicht vertauschbar ist... :-)

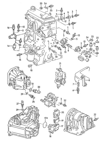
Hilfe:
Der Dateianhang bildtafel.JPG existiert nicht mehr.
Gemeint, sind die Geber getriebeseitig Nr.13


Da es aber wohl nicht das Problem des TE`s ist, weicht das hier wohl sehr vom Thema ab.
Freut mich trotzdem, dass wir es darüber hatten ;-)
Dateianhänge
bildtafel.JPG
Antworten