Elektrokabel Anschluß
- COB
- Erfahrener Nutzer
- Beiträge: 6671
- Registriert: Fr 3. Jul 2009, 12:29
- Wohnort: CHE/ERL
AW: Elektrokabel Anschluß
Gibts 2x an der ZE, läuft vom ZAS nach B8 und geht dann von D24 auf den Anlasser.
Die VW-Horde: Scirocco GT (93-99) - Passat C (95-01) - Scirocco GTX (99-heute)
Die BMW-Horde: 525iT (01-07) - 540iT (07-heute) - 540iA (09-heute) - 528iT (10-heute) - 520dT (18-heute)
Haftungsausschluss: Alle gemachten Aussagen stellen lediglich die Sichtweise des Autors anhand der vorliegenden Informationen dar. Der Autor übernimmt keinerlei Haftung für die Befolgung gemachter Ratschläge und Hinweise. Jeder Halter ist für die Sicherheit seines Fahrzeuges vollumfänglich selbst verantwortlich und handelt somit immer eigenverantwortlich.
Die BMW-Horde: 525iT (01-07) - 540iT (07-heute) - 540iA (09-heute) - 528iT (10-heute) - 520dT (18-heute)
Haftungsausschluss: Alle gemachten Aussagen stellen lediglich die Sichtweise des Autors anhand der vorliegenden Informationen dar. Der Autor übernimmt keinerlei Haftung für die Befolgung gemachter Ratschläge und Hinweise. Jeder Halter ist für die Sicherheit seines Fahrzeuges vollumfänglich selbst verantwortlich und handelt somit immer eigenverantwortlich.
- Borstel
- Erfahrener Nutzer
- Beiträge: 1224
- Registriert: Mo 31. Jan 2011, 23:06
- Wohnort: Neu Isenburg
- Kontaktdaten:
AW: Elektrokabel Anschluß
Gude - Danke euch 
Gruss Torsten
Gruss Torsten
http://www.borstel-ostharz.de
In Bestand:
80er Rocco I / Umbau auf 16V http://www.sciroccoforum.de/forum/showthread.php?327667-Back-to-the-Roots-80er-Rocco-und-kein-Ende-in-Sicht
76er Rocco I / Original mit 56000km und Automatik
...sind 38cm Scheinwerferaustrittskante normal ???
In Bestand:
80er Rocco I / Umbau auf 16V http://www.sciroccoforum.de/forum/showthread.php?327667-Back-to-the-Roots-80er-Rocco-und-kein-Ende-in-Sicht
76er Rocco I / Original mit 56000km und Automatik
...sind 38cm Scheinwerferaustrittskante normal ???
- Nordrocco
- Beiträge: 891
- Registriert: Sa 20. Okt 2007, 09:41
- Wohnort: Aachen
- Kontaktdaten:
AW: Elektrokabel Anschluß
Klemme 15a müsste der Anschluss sein den Du suchst. Hat z.B. der 16V am Magnetschalter des Anlassers.
Hierüber wird das KSV versorgt, welches beim 16V ja nur während des Anlassens einspritzt.
Hierüber wird das KSV versorgt, welches beim 16V ja nur während des Anlassens einspritzt.
[SIGPIC][/SIGPIC]
- COB
- Erfahrener Nutzer
- Beiträge: 6671
- Registriert: Fr 3. Jul 2009, 12:29
- Wohnort: CHE/ERL
AW: Elektrokabel Anschluß
Am Anlasser gibt es keine 15. Der Magnetschalter ist Kl. 50 und dort hängt der Thermozeitschalter und das Kaltstartventil usw. bei ALLEN K-Jets, die das haben, dran.
Die VW-Horde: Scirocco GT (93-99) - Passat C (95-01) - Scirocco GTX (99-heute)
Die BMW-Horde: 525iT (01-07) - 540iT (07-heute) - 540iA (09-heute) - 528iT (10-heute) - 520dT (18-heute)
Haftungsausschluss: Alle gemachten Aussagen stellen lediglich die Sichtweise des Autors anhand der vorliegenden Informationen dar. Der Autor übernimmt keinerlei Haftung für die Befolgung gemachter Ratschläge und Hinweise. Jeder Halter ist für die Sicherheit seines Fahrzeuges vollumfänglich selbst verantwortlich und handelt somit immer eigenverantwortlich.
Die BMW-Horde: 525iT (01-07) - 540iT (07-heute) - 540iA (09-heute) - 528iT (10-heute) - 520dT (18-heute)
Haftungsausschluss: Alle gemachten Aussagen stellen lediglich die Sichtweise des Autors anhand der vorliegenden Informationen dar. Der Autor übernimmt keinerlei Haftung für die Befolgung gemachter Ratschläge und Hinweise. Jeder Halter ist für die Sicherheit seines Fahrzeuges vollumfänglich selbst verantwortlich und handelt somit immer eigenverantwortlich.
- Stephan
- Beiträge: 12669
- Registriert: Fr 1. Okt 1999, 20:17
- Wohnort: Braunschweig
AW: Elektrokabel Anschluß
Der 16V hat aber, wie Nordrocco schon richtig sagte, 2 kleine Anschlüße (also insgesamt 3) am Anlasser. War mir schon entfallen. Der erste ist natürlich der dicke Anchluß, der direkt von der Batterie kommt, der zweite ist der Stecker zum Starten, und der dritte sitzt beim 16V demgegenüber und steht quer zu dem Anlasser. Soweit erinnere ich mich auch dran. Was der jetzt genau für ne Funktion hat war mir irgendwie immer unklar.
MfG,
Stephan
Beim Beschleunigen müssen die Tränen der Ergriffenheit waagerecht vom Auge zum Ohr verlaufen...
(Walter Röhrl)
Stephan
Beim Beschleunigen müssen die Tränen der Ergriffenheit waagerecht vom Auge zum Ohr verlaufen...
(Walter Röhrl)
- COB
- Erfahrener Nutzer
- Beiträge: 6671
- Registriert: Fr 3. Jul 2009, 12:29
- Wohnort: CHE/ERL
AW: Elektrokabel Anschluß
Das ist durch gebrückt zur Kl. 50 auf der anderen Seite, quasi ein Abgriff für Kl. 50, halt Kl. 50a. Eine 15 findet sich am Starter aber nicht.
Die VW-Horde: Scirocco GT (93-99) - Passat C (95-01) - Scirocco GTX (99-heute)
Die BMW-Horde: 525iT (01-07) - 540iT (07-heute) - 540iA (09-heute) - 528iT (10-heute) - 520dT (18-heute)
Haftungsausschluss: Alle gemachten Aussagen stellen lediglich die Sichtweise des Autors anhand der vorliegenden Informationen dar. Der Autor übernimmt keinerlei Haftung für die Befolgung gemachter Ratschläge und Hinweise. Jeder Halter ist für die Sicherheit seines Fahrzeuges vollumfänglich selbst verantwortlich und handelt somit immer eigenverantwortlich.
Die BMW-Horde: 525iT (01-07) - 540iT (07-heute) - 540iA (09-heute) - 528iT (10-heute) - 520dT (18-heute)
Haftungsausschluss: Alle gemachten Aussagen stellen lediglich die Sichtweise des Autors anhand der vorliegenden Informationen dar. Der Autor übernimmt keinerlei Haftung für die Befolgung gemachter Ratschläge und Hinweise. Jeder Halter ist für die Sicherheit seines Fahrzeuges vollumfänglich selbst verantwortlich und handelt somit immer eigenverantwortlich.
- Nordrocco
- Beiträge: 891
- Registriert: Sa 20. Okt 2007, 09:41
- Wohnort: Aachen
- Kontaktdaten:
- Borstel
- Erfahrener Nutzer
- Beiträge: 1224
- Registriert: Mo 31. Jan 2011, 23:06
- Wohnort: Neu Isenburg
- Kontaktdaten:
AW: Elektrokabel Anschluß
Gude - Jungs ; der COB hat immer Recht

Ich werde es an der ZE abnehmen. Danke für die Tipps.
Gruss Torsten
Ich werde es an der ZE abnehmen. Danke für die Tipps.
Gruss Torsten
http://www.borstel-ostharz.de
In Bestand:
80er Rocco I / Umbau auf 16V http://www.sciroccoforum.de/forum/showthread.php?327667-Back-to-the-Roots-80er-Rocco-und-kein-Ende-in-Sicht
76er Rocco I / Original mit 56000km und Automatik
...sind 38cm Scheinwerferaustrittskante normal ???
In Bestand:
80er Rocco I / Umbau auf 16V http://www.sciroccoforum.de/forum/showthread.php?327667-Back-to-the-Roots-80er-Rocco-und-kein-Ende-in-Sicht
76er Rocco I / Original mit 56000km und Automatik
...sind 38cm Scheinwerferaustrittskante normal ???
- COB
- Erfahrener Nutzer
- Beiträge: 6671
- Registriert: Fr 3. Jul 2009, 12:29
- Wohnort: CHE/ERL
AW: Elektrokabel Anschluß
Hat er auch, hat den Rotz lange genug gemacht, kann einen Schaltplan lesen, unabhängig davon, was da nun auf dem Kontakt drauf steht. Dir helfe ich noch mal mit Infos...Borstel hat geschrieben: der COB hat immer Recht
Die VW-Horde: Scirocco GT (93-99) - Passat C (95-01) - Scirocco GTX (99-heute)
Die BMW-Horde: 525iT (01-07) - 540iT (07-heute) - 540iA (09-heute) - 528iT (10-heute) - 520dT (18-heute)
Haftungsausschluss: Alle gemachten Aussagen stellen lediglich die Sichtweise des Autors anhand der vorliegenden Informationen dar. Der Autor übernimmt keinerlei Haftung für die Befolgung gemachter Ratschläge und Hinweise. Jeder Halter ist für die Sicherheit seines Fahrzeuges vollumfänglich selbst verantwortlich und handelt somit immer eigenverantwortlich.
Die BMW-Horde: 525iT (01-07) - 540iT (07-heute) - 540iA (09-heute) - 528iT (10-heute) - 520dT (18-heute)
Haftungsausschluss: Alle gemachten Aussagen stellen lediglich die Sichtweise des Autors anhand der vorliegenden Informationen dar. Der Autor übernimmt keinerlei Haftung für die Befolgung gemachter Ratschläge und Hinweise. Jeder Halter ist für die Sicherheit seines Fahrzeuges vollumfänglich selbst verantwortlich und handelt somit immer eigenverantwortlich.
- Stephan
- Beiträge: 12669
- Registriert: Fr 1. Okt 1999, 20:17
- Wohnort: Braunschweig
AW: Elektrokabel Anschluß
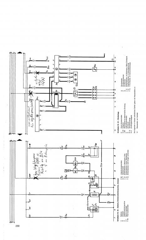
Hab hier nen Schaltplan für Kr/Pl aus dem Netz.
Die Qualität ist irgendwie schlechter als im Original, komisch. Na, erkennen kann man trotzdem was dran steht.
Gefunden über google und die Suchworte Stromlaufplan Scirocco 16v.
Wikipedia sagt zu den Klemmen 15a oder 50 folgendes: Man sieht also, 50a oder 15a ... scheissegal.
Die Qualität ist irgendwie schlechter als im Original, komisch. Na, erkennen kann man trotzdem was dran steht.
Gefunden über google und die Suchworte Stromlaufplan Scirocco 16v.
Wikipedia sagt zu den Klemmen 15a oder 50 folgendes: Man sieht also, 50a oder 15a ... scheissegal.
MfG,
Stephan
Beim Beschleunigen müssen die Tränen der Ergriffenheit waagerecht vom Auge zum Ohr verlaufen...
(Walter Röhrl)
Stephan
Beim Beschleunigen müssen die Tränen der Ergriffenheit waagerecht vom Auge zum Ohr verlaufen...
(Walter Röhrl)