AU nicht bestanden
- Nordrocco
- Beiträge: 891
- Registriert: Sa 20. Okt 2007, 09:41
- Wohnort: Aachen
- Kontaktdaten:
- Senior
- Benutzer
- Beiträge: 149
- Registriert: Mo 3. Mär 2008, 19:46
- Wohnort: Wolfenbüttel
AW: AU nicht bestanden
Sorry, hatte gestern keine Zeit zu antworten.
@Stephan: Der Zusammenhang ist bzw. war mir bewußt.
@Nordrocco: Stichwort Dynamo am Fahrrad. Mit Licht am Fahrrad musst Du kräftiger treten oder fährst langsamer
. Durchaus vergleichbar.
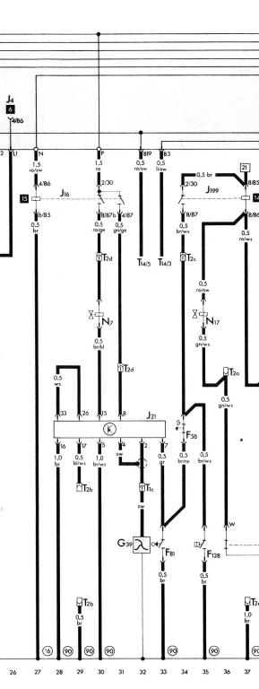
Ich habe mich nochmal mit dem Stromlaufplan beschäftigt. Hier der betreffende Ausschnitt:
Betroffene Bauteile:
J16 = Relais 26 für Spannungsversorgung
J21 = Steuergerät KA-Jetronic
N7 = Taktventil
G39 = Lambda-Sonde
F81 = Vollastschalter
Defekte an den Bauteilen schließe ich aus. Meine Überlegungen gehen in folgende Richtung:
Relais J16 wird bei eingeschaltetem Licht nicht mit vollen 12V bestromt. Somit laufen Steuergerät und Taktventil nicht richtig.
Dagegen spricht jedoch, dass bei manueller Betätigung des Vollastschalters die Regelung auf 50:50 läuft und wieder einsetzt.
Das Steuergerät bekommt an PIN 5,16 und 17 Masse.
Weiß jemand wo genau die Kabel angeschlossen sind?
PIN 5 br/ws: Da fällt mir ein Kabel mit Ringöse am Ventildeckel ein?
PIN 17 bl/ws mit Steckverbinder T2b im Motorraum. Wo ist der Verbinder?
PIN 16 br keine Ahnung
Vielleicht kennt jemand spontan die Punkte und spart mir Zeit mit stundenlanger Suche und Messungen.
Ich vermute ein Problem mit der Masseversorgung des Steuergerätes.
Bei Betätigung des Volllastschalters wird Masse auf PIN 7 des Steuergerätes geschaltet und die Regelung setzt wieder ein.
@Stephan: Der Zusammenhang ist bzw. war mir bewußt.
@Nordrocco: Stichwort Dynamo am Fahrrad. Mit Licht am Fahrrad musst Du kräftiger treten oder fährst langsamer
Ich habe mich nochmal mit dem Stromlaufplan beschäftigt. Hier der betreffende Ausschnitt:
Betroffene Bauteile:
J16 = Relais 26 für Spannungsversorgung
J21 = Steuergerät KA-Jetronic
N7 = Taktventil
G39 = Lambda-Sonde
F81 = Vollastschalter
Defekte an den Bauteilen schließe ich aus. Meine Überlegungen gehen in folgende Richtung:
Relais J16 wird bei eingeschaltetem Licht nicht mit vollen 12V bestromt. Somit laufen Steuergerät und Taktventil nicht richtig.
Dagegen spricht jedoch, dass bei manueller Betätigung des Vollastschalters die Regelung auf 50:50 läuft und wieder einsetzt.
Das Steuergerät bekommt an PIN 5,16 und 17 Masse.
Weiß jemand wo genau die Kabel angeschlossen sind?
PIN 5 br/ws: Da fällt mir ein Kabel mit Ringöse am Ventildeckel ein?
PIN 17 bl/ws mit Steckverbinder T2b im Motorraum. Wo ist der Verbinder?
PIN 16 br keine Ahnung
Vielleicht kennt jemand spontan die Punkte und spart mir Zeit mit stundenlanger Suche und Messungen.
Ich vermute ein Problem mit der Masseversorgung des Steuergerätes.
Bei Betätigung des Volllastschalters wird Masse auf PIN 7 des Steuergerätes geschaltet und die Regelung setzt wieder ein.
- COB
- Erfahrener Nutzer
- Beiträge: 6671
- Registriert: Fr 3. Jul 2009, 12:29
- Wohnort: CHE/ERL
AW: AU nicht bestanden
Nee, eben gerade nicht, der Schalter an der Drokla schaltet die Lambdaregelung ab. Unter Vollast geht der auf ein festes Taktverhältnis bei etwa Lambda 0.85. Und selbst wenn die Regelung im normalen Betrieb aussteigt, dann läuft der quasi als DX weiter und auch der hält bei Licht an seine CO-Werte.Senior hat geschrieben: dass bei manueller Betätigung des Vollastschalters die Regelung auf 50:50 läuft und wieder einsetzt.
Die VW-Horde: Scirocco GT (93-99) - Passat C (95-01) - Scirocco GTX (99-heute)
Die BMW-Horde: 525iT (01-07) - 540iT (07-heute) - 540iA (09-heute) - 528iT (10-heute) - 520dT (18-heute)
Haftungsausschluss: Alle gemachten Aussagen stellen lediglich die Sichtweise des Autors anhand der vorliegenden Informationen dar. Der Autor übernimmt keinerlei Haftung für die Befolgung gemachter Ratschläge und Hinweise. Jeder Halter ist für die Sicherheit seines Fahrzeuges vollumfänglich selbst verantwortlich und handelt somit immer eigenverantwortlich.
Die BMW-Horde: 525iT (01-07) - 540iT (07-heute) - 540iA (09-heute) - 528iT (10-heute) - 520dT (18-heute)
Haftungsausschluss: Alle gemachten Aussagen stellen lediglich die Sichtweise des Autors anhand der vorliegenden Informationen dar. Der Autor übernimmt keinerlei Haftung für die Befolgung gemachter Ratschläge und Hinweise. Jeder Halter ist für die Sicherheit seines Fahrzeuges vollumfänglich selbst verantwortlich und handelt somit immer eigenverantwortlich.
- Nordrocco
- Beiträge: 891
- Registriert: Sa 20. Okt 2007, 09:41
- Wohnort: Aachen
- Kontaktdaten:
AW: AU nicht bestanden
@Senior: Der Gedanke ist gut. Ich hatte bei meinem 16V mal das Problem, dass er nicht mehr anspringen wollte. Grund war, dass beim Betätigen des Anlassers quasi keine Masse mehr für das Steuergerät übrig blieb. Ich hatte dann zum testen einfach ein Starterkabel von Batterie minus zum Kopf gelegt, dann war er sofort da. Kannst Du ja auch mal testen, bevor Du Dir jetzt alle Litzen zusammenkramst.
[SIGPIC][/SIGPIC]
- cekey
- Erfahrener Nutzer
- Beiträge: 3390
- Registriert: Fr 5. Apr 2002, 12:07
AW: AU nicht bestanden
Es geht ein Massekabel zur Zündspule vom Kopf aus, mal schaun vielleicht ist es deswegen.
Sonst sind noch am Batteriepol Massekabel mit dran, und am Sicherungskasten ist eine Masse
Das Massekabel von Batt zu Anlasser (das ja wohl dran ist) ist auch nochmal unter der Batt an der Karosse befestigt, da auch mal schaun ob Kontakt gut.
Fröhliches suchen
Sonst sind noch am Batteriepol Massekabel mit dran, und am Sicherungskasten ist eine Masse
Das Massekabel von Batt zu Anlasser (das ja wohl dran ist) ist auch nochmal unter der Batt an der Karosse befestigt, da auch mal schaun ob Kontakt gut.
Fröhliches suchen
"Das geht nicht" das haben die anderen schon rausgefunden
Jetzt musst du den Weg finden dass das doch geht.
@ michael manousakis
Scirocco ABF, Klima, 6-Gang Erweiterung, Wavetrac-Sperre, Tempomat, ABS
Jetzt musst du den Weg finden dass das doch geht.
@ michael manousakis
Scirocco ABF, Klima, 6-Gang Erweiterung, Wavetrac-Sperre, Tempomat, ABS
- COB
- Erfahrener Nutzer
- Beiträge: 6671
- Registriert: Fr 3. Jul 2009, 12:29
- Wohnort: CHE/ERL
AW: AU nicht bestanden
Der Starter hat nur einen + Abschluss, Masse zieht der sicher über das Gehäuse => Kurbelgehäuse/Getriebe => Karosse.cekey hat geschrieben: Das Massekabel von Batt zu Anlasser (das ja wohl dran ist) ist auch nochmal unter der Batt an der Karosse befestigt
Die VW-Horde: Scirocco GT (93-99) - Passat C (95-01) - Scirocco GTX (99-heute)
Die BMW-Horde: 525iT (01-07) - 540iT (07-heute) - 540iA (09-heute) - 528iT (10-heute) - 520dT (18-heute)
Haftungsausschluss: Alle gemachten Aussagen stellen lediglich die Sichtweise des Autors anhand der vorliegenden Informationen dar. Der Autor übernimmt keinerlei Haftung für die Befolgung gemachter Ratschläge und Hinweise. Jeder Halter ist für die Sicherheit seines Fahrzeuges vollumfänglich selbst verantwortlich und handelt somit immer eigenverantwortlich.
Die BMW-Horde: 525iT (01-07) - 540iT (07-heute) - 540iA (09-heute) - 528iT (10-heute) - 520dT (18-heute)
Haftungsausschluss: Alle gemachten Aussagen stellen lediglich die Sichtweise des Autors anhand der vorliegenden Informationen dar. Der Autor übernimmt keinerlei Haftung für die Befolgung gemachter Ratschläge und Hinweise. Jeder Halter ist für die Sicherheit seines Fahrzeuges vollumfänglich selbst verantwortlich und handelt somit immer eigenverantwortlich.
- Senior
- Benutzer
- Beiträge: 149
- Registriert: Mo 3. Mär 2008, 19:46
- Wohnort: Wolfenbüttel
AW: AU nicht bestanden
So, kurzer Zwischenbericht.
Scirocco steht seit gestern Abend in einer Werkstatt, welche die AU selbst macht.
Der Meister war schon dort, als der Scirocco noch als Neuwagen im Schaufenster stand. Das Thema Licht und Regelung haben wir besprochen.
Er denkt auch noch mal nach und heute Abend gibt es vielleicht noch einen Tipp.
@Nordrocco: Den Gedanken mit dem Kabel habe ich auch. Obwohl ich eher einen Masser-Verteiler in Verdacht habe. Versuch macht kluch
@cekey: Das Massekabel läuft vom Pol der Batterie Richtung Getriebehalter, dort an die Karosserie und von dort weiter an eine Verbindungsschraube Motor/Getriebe.
Hatte ich bisher nicht so auf dem Plan. Aber wenn die Verbindung zur Karosserie nicht so ganz gut ist, könnte es durchaus daran liegen. Werde ich kontrollieren.
Es könnte ja durchaus auch an der Stelle den Effekt geben: großer Verbraucher (Licht) nimmt kleinem Verbraucher (Steuergerät) die Masse.
Testweise werde ich ein Kabel zwischen Batterie Minus, Motor und Karosserie legen. Geht aber erst weiter, wenn er wieder zu Hause, resp. in meiner Werkstatt seht.
Danke für Eure Gedanken und Bemühungen bisher.
Udo
Scirocco steht seit gestern Abend in einer Werkstatt, welche die AU selbst macht.
Der Meister war schon dort, als der Scirocco noch als Neuwagen im Schaufenster stand. Das Thema Licht und Regelung haben wir besprochen.
Er denkt auch noch mal nach und heute Abend gibt es vielleicht noch einen Tipp.
@Nordrocco: Den Gedanken mit dem Kabel habe ich auch. Obwohl ich eher einen Masser-Verteiler in Verdacht habe. Versuch macht kluch
@cekey: Das Massekabel läuft vom Pol der Batterie Richtung Getriebehalter, dort an die Karosserie und von dort weiter an eine Verbindungsschraube Motor/Getriebe.
Hatte ich bisher nicht so auf dem Plan. Aber wenn die Verbindung zur Karosserie nicht so ganz gut ist, könnte es durchaus daran liegen. Werde ich kontrollieren.
Es könnte ja durchaus auch an der Stelle den Effekt geben: großer Verbraucher (Licht) nimmt kleinem Verbraucher (Steuergerät) die Masse.
Testweise werde ich ein Kabel zwischen Batterie Minus, Motor und Karosserie legen. Geht aber erst weiter, wenn er wieder zu Hause, resp. in meiner Werkstatt seht.
Danke für Eure Gedanken und Bemühungen bisher.
Udo
- cekey
- Erfahrener Nutzer
- Beiträge: 3390
- Registriert: Fr 5. Apr 2002, 12:07
AW: AU nicht bestanden
Hier reicht ein kleiner Spannungswert, 0,5v verfälschen den Lambdawert schon komplett:Senior hat geschrieben: großer Verbraucher (Licht) nimmt kleinem Verbraucher (Steuergerät) die Masse.
http://www.scirocco-lounge.com/schraube ... ambdasonde
Und da die Lambda die Masse vom Krümmer hat ist die Differenz Motorblock - Steuergerät-Masse relevant
"Das geht nicht" das haben die anderen schon rausgefunden
Jetzt musst du den Weg finden dass das doch geht.
@ michael manousakis
Scirocco ABF, Klima, 6-Gang Erweiterung, Wavetrac-Sperre, Tempomat, ABS
Jetzt musst du den Weg finden dass das doch geht.
@ michael manousakis
Scirocco ABF, Klima, 6-Gang Erweiterung, Wavetrac-Sperre, Tempomat, ABS
- Senior
- Benutzer
- Beiträge: 149
- Registriert: Mo 3. Mär 2008, 19:46
- Wohnort: Wolfenbüttel
AW: AU nicht bestanden
Update:
AU gerade so bestanden, Co und Lambda grenzwertig hoch. HU natürlich ohne Mängel.
Der Tipp des Werkstattmeisters geht in Richtung Lambdasonde, obwohl es eigentlich unwahrscheinlich ist.
Ich habe heute mal bei laufendem Motor zwischen Motormasse und Batterieplus gemessen. Konstant bei 13,7 V, egal ob Licht an oder aus. Trotzdem habe ich den Massepunkt an der Getriebeschraube gelöst und gesäubert.
Nächste Aktion wird der Massepunkt Karosserie, aber erst in den nächsten Tagen. Hab ja 2 Jahre Zeit zur Fehlersuche
Ich darf aber gern mal zur Zwischenmessung ins Autohaus kommen, da mir die Möglichkeiten zur Co-Messung natürlich fehlen.
Irgendwie scheint Herr B. auch Interesse an dem komischen Fehler zu haben. Ist halt ein Meister alter Schule.
Udo
AU gerade so bestanden, Co und Lambda grenzwertig hoch. HU natürlich ohne Mängel.
Der Tipp des Werkstattmeisters geht in Richtung Lambdasonde, obwohl es eigentlich unwahrscheinlich ist.
Ich habe heute mal bei laufendem Motor zwischen Motormasse und Batterieplus gemessen. Konstant bei 13,7 V, egal ob Licht an oder aus. Trotzdem habe ich den Massepunkt an der Getriebeschraube gelöst und gesäubert.
Nächste Aktion wird der Massepunkt Karosserie, aber erst in den nächsten Tagen. Hab ja 2 Jahre Zeit zur Fehlersuche
Ich darf aber gern mal zur Zwischenmessung ins Autohaus kommen, da mir die Möglichkeiten zur Co-Messung natürlich fehlen.
Irgendwie scheint Herr B. auch Interesse an dem komischen Fehler zu haben. Ist halt ein Meister alter Schule.
Udo
-
OSLer
- Erfahrener Nutzer
- Beiträge: 6165
- Registriert: Di 25. Mai 2004, 12:29
AW: AU nicht bestanden
So selten ist das gar nicht mit der Lambda, die altern durchaus. Schön, daß es trotzdem erstmal geklappt hast und du jetzt mit nem engagierten Meister in Ruhe suchen kannst. 